小红楼免费信息论坛最新全国茶楼app ,全国威客小姐最新消息,群狼谷论坛官网手机版,一品堂楼凤楼论坛
HIWIN上银官网
首页
公司简介
技术资料
产品展示
代理品牌
联系我们
HIWIN上银官网
网站首页
Home
公司简介
About
技术资料
Knowledge
产品展示
Product
代理品牌
Brand
联系我们
Contact
051255185900
相关型号
QEH30CA
HGW45CC
HGW30CC
HGH45HA
QEH30SA
WEW27CC
QEH25CA
HGW35HC
HGW65CA
QEH25SA
位置:
HIWIN上银官网
>
产品展示
>
QR系列 - 静音式滚柱型直线导轨
> QRW45CC
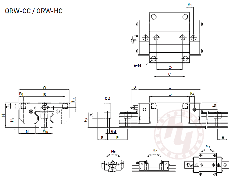
QRW45CC
作者:台湾HIWIN导轨 发布时间:2024.07.15
组件尺寸
H
60
mm
H1
8
mm
N
37.5
mm
滑块尺寸
W
120
mm
B
100
mm
B1
10
mm
C
80
mm
C1
60
mm
L1
106
mm
L
153.2
mm
K1
21
mm
K2
10
mm
G
12.9
mm
M
M12
mm
T
14
mm
T1
15
mm
H2
10
mm
H3
14
mm
导轨尺寸
WR
45
mm
HR
38
mm
D
20
mm
h
17
mm
d
14
mm
P
52
mm
E
22.5
mm
导轨的固定螺栓尺寸
导轨的固定螺栓尺寸
M12x35
mm
基本额定负荷
动负荷C
123.2
kN
静负荷C0
156.4
kN
容许静力矩
MR
3.959
kN-m
Mp
2.666
kN-m
My
2.666
kN-m
重量
滑块
3.41
kg
导轨
9.97
kg/m
HIWIN热销推荐:
QRW45CC导轨
PGHL25HA导轨
QHW30CC导轨
HGW35CB导轨
PGHL25CA导轨
QRW35HC导轨
PGHH55HA导轨
QHW25HC导轨
PGHH55CA导轨
EGW20CB导轨
相关型号
PGHW20HA
HGH30HA
QEH25CA
PGHW20CA
WEW17CC
PGHL55HA
QEH25SA
PGHL55CA
PGHL45HA
QEH20CA
版权所有 © 2021 纳德堡机电实业(江苏)有限公司
HIWIN官网
上银官网
HIWIN官网
公司简介
联系电话
展开
收缩
产品销售
客服1
客服2
服务热线
0512-55185900
7*24小时
15371824813