小红楼免费信息论坛最新全国茶楼app ,全国威客小姐最新消息,群狼谷论坛官网手机版,一品堂楼凤楼论坛
HIWIN上银官网
首页
公司简介
技术资料
产品展示
代理品牌
联系我们
HIWIN上银官网
网站首页
Home
公司简介
About
技术资料
Knowledge
产品展示
Product
代理品牌
Brand
联系我们
Contact
051255185900
相关型号
HGH65CA
QEH25SA
WEW17CC
HGW25CA
QEH20CA
HGW55CA
QEH20SA
WEH35CA
HGW20HC
HGL15CA
位置:
HIWIN上银官网
>
产品展示
>
PG系列 - 智慧型直线导轨
> PGHW35CB
PGHW35CB
作者:台湾HIWIN导轨 发布时间:2024.07.15
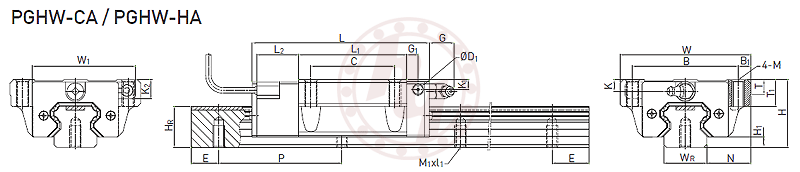
组件尺寸
H
48
mm
H1
7.5
mm
N
33
mm
滑块尺寸
W
100
mm
W1
77
mm
B
82
mm
B1
9
mm
C
62
mm
L
123
mm
L1
80
mm
L2
23.4
mm
K
9
mm
K1
12.6
mm
K2
16.5
mm
G
12
mm
G1
7
mm
D1
5
mm
M
Φ9
mm
T
10.1
mm
T1
18
mm
T2
13
mm
导轨尺寸
WR
34
mm
HR
29
mm
M1xl1
M8x17
mm
P
80
mm
E
20
mm
基本额定负荷
动负荷C
49.52
kN
静负荷C0
69.16
kN
重量
滑块
1.56
kg
导轨
6.14
kg/m
HIWIN热销推荐:
PGHW45HB导轨
QEW20SB导轨
EGW20SA导轨
PGHW45CB导轨
HGW20HA导轨
PGHW35HB导轨
HGW45HA导轨
QEW15CB导轨
PGHW35CB导轨
MGW12H导轨
相关型号
WEW27CC
QEH30SA
HGW25HC
HGW35HC
QEH25CA
HGH45CA
WEW21CC
QEH25SA
HGW35CC
HGW55HA
版权所有 © 2021 纳德堡机电实业(江苏)有限公司
HIWIN官网
上银官网
HIWIN官网
公司简介
联系电话
展开
收缩
产品销售
客服1
客服2
服务热线
0512-55185900
7*24小时
15371824813